Патоморфологическое обоснование дренирования верхних мочевых
путей у детей, оперированных на пузырно-мочеточниковом сегменте
Н.В. Поляков

В своем докладе Поляков Н.В. провел оценку экспериментального
исследования, целью которого было изучение морфофункционального
состояния мочеточников в зависимости от сроков их дренирования
интубирующими дренажами.
Было отмечено, что функция дренажей при выполнении пластических
операций на мочевых путях не ограничивается только обеспечением
адекватного оттока мочи, но и осуществляет опорную функцию
(шинирование).
Экспериментальное исследование проведено на двух собаках.
Были выполнены пластические операции на мочеточниках. В
качестве интубирующего дренажа использовался силиконовый
урологический рентгеноконтрастный катетер- STENT КСУ №6
- 250 с закрытым концом. Через различные промежутки времени
выполнялась биопсия мочеточника. Сроки биопсии составили:
7, 14, 21,41, 80, 459 сутки после операции.
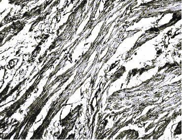
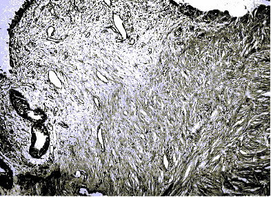
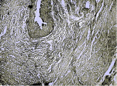
Результаты исследования продемонстрированы в виде гистоморфологической
картины выполненных биопсий на разных сроках. Так докладчик
отметил, что дренаж, находящийся в мочеточнике является
причиной отека и способствует развитию склероза,
что является причиной развития стриктур мочеточника.
7 сутки (Отек интерстиция, очаговая гиперплазия
уротелия)

14 сутки (Неполный сетчатый (перимускулярный)
склероз)

41 сутки (Склероз подслизистого, очаговая гиперплазия
уротелия с фокусами плоскоклеточной метаплазии)

459 сутки (Выраженный склероз всех слоев мочеточника)

В связи с этим, авторами исследования предлагается ограничить
сроки дренирования верхних мочевых путей у детей,
оперированных на пузырно-уретеральном сегменте до 7 - 10
суток.
В заключение доклада автором продемонстрирован личный
опыт оперативного лечения детей с различными формами уретерогидронефроза.
Так в НИИ урологии Росздрава по методике экстравезикального
уретероцистоанастомоза прооперировано 782 ребенка, из них
509 с ПМР и 273 с мегауретером. При анализе отдаленных осложнений
после оперативного лечения по данной методике сообщено о
низкой частоте развития рецидива ПМР (3 случая) и развития
послеоперационных стриктур мочеточников (6 случаев).
Автор обзора и фотографий: Алтунин
Денис Валерьевич
|